| Main centres: | 1-3 business days |
| Regional areas: | 3-4 business days |
| Remote areas: | 3-5 business days |
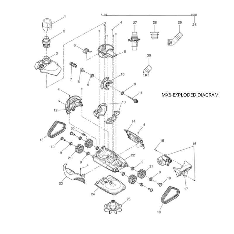
The gearbox A is also referred to as a directional control device, Side A on Zodiac-diagrams and technical drawings.
Wondering how to test if the MX6's gearbox is faulty?
Questions & Answers:
1. How do I check which side gearbox is faulty? Have a look at the video above.
2. Are the gears inside the MX8 gearbox available? Unfortunately loose gears are not available, only the complete gearbox.
3. Where is side "A" or "B" marked? Look on the side of component to view the letter "A" or "B".
Alternative method:
When the MX8 machine faces you with the top cover's yellow button in front, the gearbox on the right-hand side is Gearbox A and the gearbox on the left-hand side is Gearbox B.
Product Reviews:
Works like a charm on our MX8 Elite - back to having a completely clean pool!
Seems to be doing the job. Better than buying a new Cleaner. 